
안녕하세요 WITTGUY 입니다.
2025년 10월 17일까지 화염방지 기능이 있는 통기밸브로의 교체 의무화로 인해 많은 사업장에서 화염방지기 설치에 대한 문의가 급증하고 있습니다. 기존에 화염방지기를 설치하지 않았던 사업장들이 급하게 대응책을 찾고 있는 상황에서, 올바른 화염방지기 선정과 설치가 무엇보다 중요합니다. 본 글에서는 KSFI 인라인 화염방지기의 상세 사양과 선정 기준을 체계적으로 분석하여 현장 실무자들의 의사결정을 지원하고자 합니다.
목차
- KSFI 인라인 화염방지기 기술 개요
- 주요 기술 사양 및 성능 특성
- 크기별 상세 치수 및 선정 기준
- 재질별 구성 옵션 및 적용 환경
- 설치 고려사항 및 검토 포인트
1. KSFI 인라인 화염방지기 기술 개요
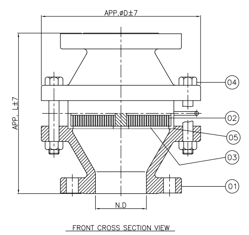
KSFI 모델 인라인 화염방지기는 API 2000 및 EN 12874 표준에 따라 설계, 제조, 시험된 폭발방지용 화염차단 장치입니다. 움직이는 부품이 없는 수동형 안전장치로서, 316L 스테인리스강 크림프 메탈 리본 타입 화염 셀 엘리먼트를 사용하여 화염 전파를 차단합니다.
화염차단 원리는 균일한 개구부 매트릭스를 통해 열 흡수 방식으로 화염을 소화시키는 것입니다. 이는 점화된 증기 혼합물에 대한 소화 차단벽 역할을 수행하며, 저속 이동 화염 및 저중압 전면(저-중압 폭연)에 특별히 설계된 열전달 특성을 가지고 있습니다.
2. 주요 기술 사양 및 성능 특성
KSFI 화염방지기의 핵심 성능 특성은 다음과 같습니다.
성능 기준 및 인증
- USCG, IMO MSC/Circ.677 및 EN 12874 요구사항 충족
- 폭발 및 폭연 방지 설계
- 최대 용량 및 최소 압력 손실 구현
- 양방향 흐름 및 화염차단 기능
운영 특성
- 신속하고 용이한 엘리먼트 분리 가능
- 청소 및 유지보수 편의성
- 수직 및 수평 설치 가능
- 높은 내식성 및 내화학성
표준 화염 셀은 NEC 그룹 D 또는 IEA IIA 가스에 적합하며, 다른 가스 그룹용 셀도 추가 옵션으로 제공됩니다. 잠재적 점화원으로부터 지정된 거리 내에서 수직 또는 수평으로 설치 가능합니다.
3. 크기별 상세 치수 및 선정 기준


크기 선정 시 고려사항은 다음과 같습니다.
유량 기준 선정
- 최대 운전 유량의 1.2배 이상으로 여유도 확보
- 압력 손실 최소화를 위한 적정 크기 선택
- 설치 공간 제약 조건 검토
플랜지 연결 방식
- 표준 플랜지: KS10K R.F
- 기타 연결 방식: 요청 시 제공 가능
- 플랜지 면: 평면(Flat Face) 또는 돌출면(Raised Face)
4. 재질별 구성 옵션 및 적용 환경
| NO. | 구성품 | C.S 재질 | Stainless 재질 |
| 1 | BODY | A216-WCB | A351-CF8 |
| 2 | ELEMENT | A240-316L | A240-316L |
| 3 | ELEMENT RING | A240-304 | A240-316 |
| 4 | BOLT & NUT | SUS304 | SUS304 |
| 5 | GASKET | NON-ASBESTOS | NON-ASBESTOS |
재질 사양 설명
C.S (탄소강 재질)
- 본체: A216-WCB (탄소강 주물)
- 경제적이고 일반적인 용도에 적합
- 에폭시 코팅으로 내식성 보강
STAINLESS (스테인리스 재질)
- 본체: A351-CF8 (스테인리스강 주물)
- 높은 내식성과 내구성
- 부식성 환경에 최적화
공통 사양
- 엘리먼트: A240-316L (고품질 스테인리스강)
- 볼트 및 너트: SUS304
- 가스켓: 무석면 재질
재질 선정 기준
일반 환경(표준 설계)
- 본체: 주철(Cast Iron) - 경제적, 일반적 사용
- 에폭시 코팅: 내식성 향상, 250 마이크론 두께
- 적용: 일반 석유화학, 저장탱크
부식성 환경(특수 설계)
- 본체: 스테인리스강 304/316/316L
- 무코팅: 높은 내식성
- 적용: 화학공장, 해안지역, 고온 환경
경량화 요구(특수 설계)
- 본체: 알루미늄
- 적용: 이동식 장비, 중량 제한 지역
5. 설치 고려사항 및 검토 포인트
설치 방향 및 위치
- 수직 또는 수평 설치 모두 가능
- 점화원으로부터 적정 이격거리 확보
- 접근성 고려한 유지보수 공간 확보
압력 및 온도 조건
- 최대 허용 압력: 설계 압력 확인 필요
- 운전 온도 범위: 재질별 적용 한계 검토
- 열팽창 고려한 배관 설계
유지보수 계획
- 정기 점검 주기: 6개월마다 권장
- 엘리먼트 청소: 필요시 분리 청소
- 교체 부품 재고 관리
법적 요구사항 체크포인트
- 2025년 10월 17일 교체 의무 준수
- 관련 법규: 대기환경보전법 시행규칙
- 검사 및 인증: 설치 후 성능 확인 시험
출처 TOPSAFE CO., LTD. (2023). KSFI Type Flame Arrester Technical Specification. 경상남도: 탑세이프.
한국석유화학공업협회. (2024). 화염방지기 설치 및 운영 가이드라인. 서울: 한국석유화학공업협회.
환경부. (2024). 대기환경보전법 시행규칙 개정안. 세종: 환경부.
FAQ
Q1: 2025년 10월 17일까지 기존 통기밸브를 모두 교체해야 하나요?
A1: 네, 대기환경보전법 시행규칙에 따라 화염방지 기능이 없는 기존 통기밸브는 화염방지 기능이 있는 통기밸브로 교체해야 합니다. 미준수 시 과태료가 부과될 수 있습니다.
Q2: KSFI 화염방지기의 압력 손실은 어느 정도인가요?
A2: 압력 손실은 유량과 크기에 따라 달라지며, 일반적으로 최소 압력 손실로 설계되어 있습니다. 정확한 압력 손실은 운전 조건에 따른 개별 계산이 필요합니다.
Q3: 양방향 흐름이 가능하다는 것은 무엇을 의미하나요?
A3: 화염방지기가 설치된 배관에서 유체가 어느 방향으로 흘러도 화염차단 기능을 수행한다는 의미입니다. 이는 운전 조건 변화에 따른 유연성을 제공합니다.
Q4: 유지보수 주기는 어떻게 되나요?
A4: 일반적으로 6개월마다 정기 점검을 권장하며, 운전 환경에 따라 조정 가능합니다. 엘리먼트는 신속하게 분리하여 청소할 수 있도록 설계되어 있습니다.
※ 본 블로그의 모든 내용은 신뢰할 수 있는 출처에 기반하고 있으나, 실제 적용 시에는 반드시 전문가와 상의하시기 바랍니다.
더 많은 정보는 www.wittguy.kr
WITTGUY 의 지식 저장소
Home Page
www.wittguy.kr
'04_화염방지기' 카테고리의 다른 글
| 화염방지기 일체형 브리더밸브 완벽 가이드 (10) | 2025.07.31 |
|---|---|
| 엔드라인 화염방지기 KSFE/KSFF 선정 및 설치 가이드 (7) | 2025.07.29 |
| 탱크 안전장치 설치 의무 규정 총정리 (2) | 2025.07.15 |
| 화염방지기와 역화방지기 차이점 완벽 분석: 산업현장 안전장비 선택 가이드 (0) | 2025.07.08 |
| 화염방지기와 KFI 인증에 관한 진실: 의무일까 아닐까? (1) | 2025.05.20 |